Экзаменационные
задачи
- Для заданного механизма

1.
Выполнить структурный анализ.
2.
Построить планы скоростей и ускорений.
Дано:
1) w
2) V
3) линейные размеры всех звеньев li (i=1,
2, …5)
3.
Выполнить силовой расчёт при условии: все mi=0, Isi=0 (i=
1, 2,… 5), известна сила F.
- Для заданного механизма

1.
Выполнить структурный анализ.
2.
Построить планы скоростей и ускорений.
Дано:
1) w
2) линейные размеры всех звеньев li (i=1,
2, …)
3.
Выполнить силовой расчёт при условии: все mi=0, Isi=0 (i=
1, 2,… 5), известна сила F.
- Для заданного механизма

1.
Выполнить структурный анализ.
2.
Построить планы скоростей и ускорений.
Дано:
1) w1
2) линейные размеры всех звеньев li (i=1,
2, …5)
3.
Выполнить силовой расчёт при условии: все mi=0, Isi=0 (i=
1, 2,… 5), известен момент M.
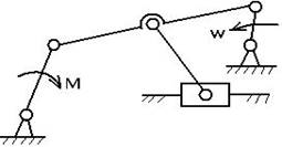
- Для заданного механизма

1.
Выполнить структурный анализ.
2.
Построить планы скоростей и ускорений.
Дано:
1) w
2) линейные размеры всех звеньев li (i=1,
2, …5)
3.
Выполнить силовой расчёт при условии: все mi=0, Isi=0 (i=
1, 2,… 5), известна сила F.
- Для заданного механизма

1.
Выполнить структурный анализ.
2.
Построить планы скоростей и ускорений.
Дано:
1) V
2) линейные размеры всех звеньев li (i=1,
2, …5)
3.
Выполнить силовой расчёт при условии: все mi=0, Isi=0 (i=
1, 2,… 5), известна сила F.
- Для заданного механизма

1.
Выполнить структурный анализ.
2.
Построить планы скоростей и ускорений.
Дано:
1) w
2) линейные размеры всех звеньев li (i=1,
2, …5)
3.
Выполнить силовой расчёт при условии: все mi=0, Isi=0 (i=
1, 2,… 5), известна сила F.
- Для заданного механизма

1.
Выполнить структурный анализ.
2.
Построить планы скоростей и ускорений.
Дано:
1) w1
2)
w2
3) линейные размеры всех звеньев li (i=1,
2, …5)
3.
Выполнить силовой расчёт при условии: все mi=0, Isi=0 (i=
1, 2,… 5), известна сила F.
- Для заданного механизма

1.
Выполнить структурный анализ.
2.
Построить планы скоростей и ускорений.
Дано:
1) w1
2)
w2
3) линейные размеры всех звеньев li (i=1, 2, …5)
3.
Выполнить силовой расчёт при условии: все mi=0, Isi=0 (i=
1, 2,… 5), известна сила F.
- Для заданного механизма

1.
Выполнить структурный анализ.
2.
Построить планы скоростей и ускорений.
Дано:
1) V
2) линейные размеры всех звеньев li (i=1,
2, …5)
3.
Выполнить силовой расчёт при условии: все mi=0, Isi=0 (i=
1, 2,… 5), известна сила F.
- Для заданного механизма

1.
Выполнить структурный анализ.
2.
Построить планы скоростей и ускорений.
Дано:
1) w
2)
линейные размеры всех звеньев li (i=1,
2, …5)
3.
Выполнить силовой расчёт при условии: все mi=0, Isi=0 (i=
1, 2,… 5), известен момент М.
- Для заданного механизма

1.
Выполнить структурный анализ.
2.
Построить планы скоростей и ускорений.
Дано:
1) V
2) линейные размеры всех звеньев li (i=1,
2, …5)
3.
Выполнить силовой расчёт при условии: все mi=0, Isi=0 (i=
1, 2,… 5), известна сила F.
- Для заданного механизма

1.
Выполнить структурный анализ.
2.
Построить планы скоростей и ускорений.
Дано:
1) w
2)
линейные размеры всех звеньев li (i=1,
2, …5)
3.
Выполнить силовой расчёт при условии: все mi=0, Isi=0 (i=
1, 2,… 5), известна сила F.
- Для заданного механизма

1.
Выполнить структурный анализ.
2.
Построить планы скоростей и ускорений.
Дано:
1) w
2) линейные размеры всех звеньев li (i=1,
2, …5)
3.
Выполнить силовой расчёт при условии: все mi=0, Isi=0 (i=
1, 2,… 5), известна сила F.
- Для заданного механизма

1.
Выполнить структурный анализ.
2.
Построить планы скоростей и ускорений.
Дано:
1) w
2)
линейные размеры всех звеньев li (i=1,
2, …5)
3.
Выполнить силовой расчёт при условии: все mi=0, Isi=0 (i=
1, 2,… 5), известна сила F.
- Для заданного механизма

1.
Выполнить структурный анализ.
2.
Построить планы скоростей и ускорений.
Дано:
1) V
2)
линейные размеры всех звеньев li (i=1,
2, …5)
3.
Выполнить силовой расчёт при условии: все mi=0, Isi=0 (i=
1, 2,… 5), известен момент M.
- Для заданного механизма
1.
Построить планы скоростей и ускорений.
2.
Выполнить силовой расчёт при условии: все mi=0, Isi=0 (i=
1, 2,… 5), известна сила F.

- Для заданного механизма
1.
Выполнить структурный анализ.
2.
Построить планы скоростей и ускорений.

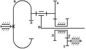
- Для заданного механизма
определить углы давления.

- Для представленного
механизма
1.
Выполнить структурный анализ.
2.
Построить планы скоростей и ускорений.

- Для кулисного механизма построить планы скоростей и
ускорений.

- Для заданного механизма
построить планы скоростей и ускорений.

- Определить степень
подвижности кинематической цепи.

-
Дано: зубчатое колесо с параметрами z=24, m=44
мм, x=0,5, 𝛼=20°, hn*=1
Определить:
диаметры окружностей: делительной; основной; впадин.
- Дано:
косозубое колесо (цилиндрическое) с углом наклона зуба 12°, m=3
мм, b=2 мм.
На
сколько увеличится коэффициент перекрытия такой передачи по сравнению с
прямозубой?
- Дано: n7=2800 об/мин, n4=-280
об/мин
Подобрать числа зубьев колёс.

- Дано: z1=20, z2=30, z4=20, z5=35
Найти UB-5

-
Определить диаметр вершин (da)
зубчатого колеса, если известны m=8
мм, z=12, ha=1, x=0,4.
- Дано: z1=20, z2=40, z3=30, z4=40, z5=30, модули
всех колёс одинаковы, n1=1000 об/мин, nB=500 об/мин.
Найти n6

- Дано: z1=z3=z6=20, z2=z4=60, z5=100, z7=30, модули
всех колёс одинаковы
Найти U1-B

- Дано: z1=z3=
z5= z7=20, z2=z4= z6=80, z8=100, z10=101, модули
всех колёс одинаковы
Найти z9,U1-B

- Дано: z1=z6=80, z2=z5=20
Найти z3, z4,U1-B

- Дано: n7=1200
об/мин, z1=80, z2=40, z3=20
Найти nB, n2

- Дано: z1=40, z2=z4=20, z3=20, nB=50 об/мин, n1=400
об/мин
Найти n5

- Дано: z1=z2=z3, n7=100
об/мин, n3=80
об/мин
Найти nB

- Дано: z1=99, z2=100, z3=101, z4=100
Определить UB-1

-
Дано: m=2 мм, z=40,
=20º
Определить x, d,
dj, db.

- Дано зубчатое колесо, z=55.
Определить: модуль колеса и диаметр
усилительной окружности.

-
Неуравновешенный ротор начинает разгоняться от n=3000 об/мин
с угловым ускорением ε=200 1/с2. Известны m=2,5 кг и Isi=0,04 кг м с2. Определить величину и направление главного
вектора и главного момента сил инерции.

- Дано: λmax=30° (γmin=60°)
Определить rmin теоретического профиля
кулачка.

- Для кулачкового механизма с
поступательно движущимся толкателем определить
rmin теоретического
профиля кулачка и эксцентриситет e.

- Дано: λmax=30° (γmin=60°)
Определить rmin теоретического профиля
кулачка.

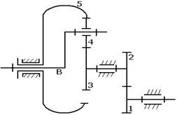
- Для заданного кулачкового
механизма найти угол давления λ (или γ) в положении, показанном на эскизе.

-
Для произвольно выбранного положения кулачкового механизма найти угол давления λ.

-
Для произвольно выбранного положения кулачкового механизма найти угол давления λ.

email: KarimovI@rambler.ru
Адрес: Россия, 450071, г.Уфа, почтовый ящик 21
Теоретическая механика Сопротивление материалов
Прикладная механика Детали машин Строительная механика