Тестовые
вопросы по теме "Структура механизмов"
- Какие вопросы изучает курс
«Теория механизмов и машин»?
1. курс «Теория механизмов и
машин» изучает физико-механические свойства материалов
2. курс «Теория механизмов и
машин» изучает основы расчёта на прочность, жёсткость и устойчивость
конструкций
3. курс «Теория механизмов и
машин» изучает общие методы исследования, построения, кинематики и динамики
механизмов и машин, а также научные основы их проектирования
4. курс «Теория механизмов и
машин» изучает методы проектирования и экономического анализа машин пищевой и
деревообрабатывающей промышленности
- Выдающийся деятель культуры
эпохи Возрождения, разработавший проекты конструкций механизмов ткацких
станков, печатных машин
1. Чебышёв П.Л.
2. Леонардо да Винчи
3. Ползунов И.И.
4. Леонард Эйлер
- Действительный
член Петербургской Академии наук XVIII века, автор 850 научных трудов, в том
числе: «О машинах вообще» и «Принципы теории машин»
1. Чебышёв П.Л.
2. Леонардо да Винчи
3. Ползунов И.И.
4. Леонард Эйлер
- Русский механик,
впервые разработавший проект двухцилиндрового парового двигателя и осуществивший
в 1765 г. его испытание
1. Чебышёв П.Л.
2. Леонардо да Винчи
3. Ползунов И.И.
4. Леонард Эйлер
- Структурная формула плоских механизмов
названа в честь
1. Чебышёва П.Л.
2. Леонардо да Винчи
3. Ползунова И.И.
4. Леонарда Эйлера
- Кто разработал структурную
классификацию плоских механизмов?
1. Р.Виллис
2. Ф.Рело
3. П.Л.Чебышев
4. Л.В.Ассур
- Структурная схема механизма
определяет
1. функции механизма
2. конструктивные особенности
механизма
3. классификацию механизма
4. группу механизма
- Кинематическая схема механизма…
1. определяет особенности
механизма
2. определяет назначение
механизма
3. выполняется в масштабе и
является основой механизма
- К какому типу машин можно
отнести дизель двигатель в легковых автомобилях (по классификации в ТММ)?
1. к информационным машинам
2. к технологическим машинам
3. к энергетическим машинам
4. к транспортным машинам
5. к универсальным машинам
6. к экономичным машинам
- Лифт, конвейер, подъёмный кран
– это…
1. технологические машины
2. информационные машины
3. транспортные машины
4. энергетические машины
- … называют техническое устройство, предназначенное для воспроизведения рабочих функций
1. руки человека
2. механизмом
3. манипулятором
4. передачей
- Промышленными роботами называют … с автоматическим управлением и изменяемой программой, используемые в производстве.
1. механизмы
2. манипуляторы
3. передачи
- Элемент машинного агрегата,
предназначенный для реализации функций контроля и управления работой привода.
1. энергетическая машина
2. контрольно-управляющая машина
3. рабочая машина
4. передаточный механизм
- Совокупность технических,
технологических и эксплуатационных характеристик – это … механизма или машины.
1. долговечность
2. производительность
3. стоимость
4. качество
- Показатели надёжности
механической системы.
1. работоспособность
2. устойчивость
3. безотказность
4. ремонтопригодность
5. технологичность
- Вид классификации механизма с
точки зрения определения его принципа образования:
1. по функциональному назначению
2. кинематическая
3. структурно-конструктивная
4. структурная
5. силовая
- ……механизм – это механизм, все подвижные
звенья которого описывают неплоские траектории или траектории, лежащие в
пересекающихся плоскостях
1. Пространственный
2. Плоский
3. Линейный
4. Симметричный
- На какие типы подразделяются
механизмы исходя из их кинематических, конструктивных и функциональных свойств?
1. рычажные, кулачковые,
зубчатые и фрикционные
2. высоко- и низкоскоростные
3. одно- двух- и многозвенные
4. простые и сложные механизмы
- Механизм состоит …
1. из кинематических пар
2. из стойки
3. из кинематических цепей
4. из отдельных звеньев
- Механизмы, в состав которых
входит звено, имеющее поверхность переменной кривизны, называются...
1. кулачковыми
2. винтовые
3. зубчатые
4. фрикционные
5. рычажные
- Механизм, воспроизводящий
требуемую функциональную зависимость между перемещениями входных
и выходных звеньев называется...
1. кулисным механизмом
2. передаточным механизмом
3. направляющим механизмом
4. зубчатым механизмом
5. рычажным механизмом
- Информационная машина
предназначена для...
1. преобразования немеханической
энергии в механическую или наоборот
2. преобразования материалов
3. перемещения материальных
объектов
4. преобразования информации
5. преобразования механической
энергии в электрическую
- Энергетическая машина
предназначена для...
1. преобразования немеханической
энергии в механическую или наоборот
2. преобразования материалов
3. перемещения материальных
объектов
4. преобразования информации
- Машиной называется - … (несколько правильных ответов)
1. технический объект, предназначенный для
получения или преобразования механической энергии с целью выполнения его
функций;
2. устройство для преобразования материалов;
3. ряд звеньев, соединенных между собой
кинематическими парами;
4. кинематическая цепь с одним неподвижным
звеном, допускающая целесообразные однозначно определенные движения;
5. технический объект для замены человека в
его трудовых и физиологических функциях.
- Для
чего предназначен механизм?
1.
Для передачи
движения
2.
Для совершения
полезной работы
3.
Для
преобразования движения
4.
Для
преобразования энергии
5.
Для передачи сил
6.
Для облегчения и
замены умственного и физического труда человека
-
Какая кинематическая цепь является механизмом?
1.
Простая
незамкнутая, включающая стойку
2.
Простая
замкнутая, включающая стойку
3.
Сложная
замкнутая, включающая стойку
4.
Сложная
незамкнутая, включающая стойку
- Какое звено называют стойкой?
1. стойка – это неподвижное
звено
2. стойка – это подвижное звено
во вращательном механизме
3. стойка – это механизм,
входящий в состав любой машины
4. стойка – это подвижное
соединение двух соприкасающихся звеньев, допускающих их относительное движение
- Что такое звено?
1. звено – это механизм,
предназначенный для выполнения полезной работы, служащий для облегчения
умственного и физического труда человека
2. звено – это искусственное
сочетание твердых тел, предназначенное для преобразования определенного
движения одного или нескольких твердых тел в требуемые движения других твердых
тел
3. звено – это твёрдое тело,
входящее в состав механизма
4. звено – это подвижное
соединение двух соприкасающихся элементов, допускающих их относительное
движение
- Звено это ...
1. основная часть машины
2. твёрдое тело, состоящее из
одной или нескольких деталей
3. кинематическая цепь с нулевой
степенью подвижности и не распадающаяся на более простые кинематические цепи
4. совокупность тел,
предназначенных для преобразования информации, формы и размера
- Что такое кривошип?
1. кривошип – это звено,
совершающее полнооборотное вращательное движение
вокруг неподвижной оси (стойки)
2. кривошип – это звено,
совершающее качательное движение вокруг неподвижной
оси (стойки)
3. кривошип – это звено, имеющее
общую кинематическую пару со стойкой и совершающее прямолинейное
возвратно-поступательное движение
4. кривошип – это звено, не
имеющее общих кинематических пар со стойкой и совершающее сложное
плоскопараллельное движение
- Что такое коромысло?
1. коромысло – это звено,
совершающее полнооборотное вращательное движение
вокруг неподвижной оси (стойки)
2. коромысло – это звено,
совершающее качательное движение вокруг неподвижной
оси (стойки)
3. коромысло – это звено,
имеющее общую кинематическую пару со стойкой и совершающее прямолинейное
возвратно-поступательное движение
4. коромысло – это звено, не
имеющее общих кинематических пар со стойкой и совершающее сложное
плоскопараллельное движение
- Что такое ползун?
1. ползун – это звено, совершающее
полнооборотное вращательное движение вокруг
неподвижной оси (стойки)
2. ползун – это звено,
совершающее качательное движение вокруг неподвижной
оси (стойки)
3. ползун – это звено, имеющее
общую кинематическую пару со стойкой и совершающее прямолинейное
возвратно-поступательное движение
4. ползун – это звено, не
имеющее общих кинематических пар со стойкой и совершающее сложное
плоскопараллельное движение
- Что такое шатун?
1. шатун – это звено,
совершающее полнооборотное вращательное движение
вокруг неподвижной оси (стойки)
2. шатун – это звено,
совершающее качательное движение вокруг неподвижной
оси (стойки)
3. шатун – это звено, имеющее
общую кинематическую пару со стойкой и совершающее прямолинейное
возвратно-поступательное движение
4. шатун – это звено, не имеющее
общих кинематических пар со стойкой и совершающее сложное плоскопараллельное
движение
- ..… - это
звено плоского рычажного механизма, являющееся подвижной направляющей для
ползуна
1. кривошип
2. кулиса
3. коромысло
4. шатун
- ..… - это
звено плоского рычажного механизма, совершающее плоское движение
1. кривошип
2. ползун
3. коромысло
4. шатун
- …..-
это подвижная направляющая для ползуна
1. коромысло
2. ползун
3. кулиса
4. кривошип
- ..… - это
звено плоского рычажного механизма, совершающего полное вращательное движение
1. кривошип
2. ползун
3. коромысло
4. шатун
- ..… - это
звено плоского рычажного механизма, совершающего поступательное движение
1. кривошип
2. ползун
3. коромысло
4. шатун
- Звено, закон движения которого
определяет виды движения ведомых звеньев механизма, называется ….. звено.
1. ведущее
2. ведомое
3. выходное
4. промежуточное
- ..… - это
звено плоского рычажного механизма, совершающего неполное вращательное движение
1. кривошип
2. ползун
3. коромысло
4. шатун
- Что
такое шатун?
1.
Деталь
2.
Звено
3.
Кинематическая
пара
4.
Кинематическая
цепь
- Стойкой называется…
1. соединение из 2х звеньев;
2. устройство из 2х звеньев;
3. неподвижное звено механизма;
4. центральное звено механизма.
- Ползун – это…
1. неподвижное звено;
2. звено, совершающее полный оборот вокруг оси;
3. звено, в виде двуплечего рычага,
совершающее неполный оборот вокруг оси;
4. звено, совершающее прямолинейное движение;
5. звено, совершающее плоскопараллельное
движение.
- Звено
– это …
1. часть машины для преобразования материалов
2. геометрически неизменяемая система,
состоящая из одного или нескольких жестко связанных между собой тел
3. устройство, заменяющее физические,
умственные и прочие процессы, ранее выполняемые человеком
4. механизм, осуществляющий непосредственное
воздействие на объект обработки или окружающую среду
- Движение для приведения в
движение других звеньев механизма сообщается …… звену
1. входному
2. начальному
3. подвижному
4. поступательному
- Подвижная деталь или группа
деталей, образующих одну жёсткую систему тел в механизме…
1. подвижное звено механизма
2. кинематическая пара
3. стойка
4. машина
- Неподвижные детали, образующие
одну жёсткую неподвижную систему тел в механизме…
1. подвижное звено механизма
2. кинематическая пара
3. стойка
4. машина
- Количество неподвижных звеньев
в механизме
1. 5
2. 2
3. 3
4. 1
- Кинематическая пара (КП) – это …
1. подвижное соединение трех и более
соприкасающихся звеньев
2. система звеньев, образующих между собой
соединение
3. подвижное соединение двух соприкасающихся
звеньев
4. геометрически неизменяемая система,
состоящая из одного или нескольких жестко связанных между собой тел
- Что такое кинематическая пара?
1. кинематическая пара – это
механизм, предназначенный для выполнения полезной работы, служащий для
облегчения умственного и физического труда человека
2. кинематическая пара – это
искусственное сочетание твердых тел, предназначенное для преобразования определенного
движения одного или нескольких твердых тел в требуемые движения других твердых
тел
3. кинематическая пара – это
твёрдое тело, входящее в состав механизма
4. кинематическая пара – это
подвижное соединение двух соприкасающихся звеньев, допускающих их
относительное движение
- Отличие механизма от
кинематической цепи
1. наличие подвижных звеньев
2. высшие кинематические пары
3. наличие стойки
4. низшие кинематические пары
- Соединение двух
соприкасающихся звеньев, допускающее их относительное движение…
1. независимое соединение
2. кинематическая пара
3. жёсткое соединение
4. шарнирное соединение
- Система звеньев,
связанных между собой кинематическими парами
1. кинематическая цепь
2. механизм
3. машина
4. узел
- Различают следующие виды подвижных звеньев:
(несколько правильных ответов)
1. генератор
2. коромысло
3. стойка
4. кривошип
5. агрегат
6. ползун
- Механизмы
бывают: (несколько правильных ответов)
1. фрикционные
2. зубчатые
3. множительные
4. суммирующие
5. разделительные
6. сферические
7. цилиндрические
8. пространственные
- Механизмы различают по: (несколько
правильных ответов)
1. количеству тел, предназначенных для
передачи и преобразования движения
2. по конструктивному исполнению
3. числу степеней неподвижности
4. числу обобщенных координат
5. парности звеньев
6. виду передаточных функций
- Привод механизмов, в которых
преобразование движения происходит посредством сочетания твёрдых и жидких тел:
1. газопривод
2. пневмопривод
3. гидропривод
4.
электропривод
- Механизм Кардана - это ...
1. упругий шарнир
2. универсальный шарнир
3. жёсткий шарнир
4.
угловой шарнир
-
Заполните пропуск слов: «На поршень компрессора со стороны сжатого газа
действует сила Q, которую называют …….».
1. движущей
силой
2. силой
трения
3. силой
полезного сопротивления
4. силой
вредного сопротивления
- Редукторы – это…
1. механизмы, преобразующие вращательное
движение во вращательное
2. устройства, передающие энергию
3. механизмы с постоянной передаточной
функцией
4. рычажные механизмы, совершающее
плоскопараллельное движение
- Кинематические цепи различают по следующим
признакам: (несколько правильных ответов)
1. по структурной формуле
2. по замкнутости (не замкнутости)
3. по парности звеньев
4. по простоте (сложности)
5. по плоскости (сферичности)
6. по плоскостности (пространственности)
Избыточные связи – это…
1. дополнительные звенья, вводимые в
конструкцию механизма для обеспечения требуемых свойств движения
2. дополнительные звенья для укрепления строек
(неподвижных частей механизмов)
3. звенья для увеличения сил трения и устойчивости
за их счет
4. дополнительные связи, вводимые в механизм
из конструктивных соображений
5. звенья для уменьшения сил трения
- Группой Ассура
называется…
1. механизм из последовательного наслоения
кинематических цепей, обладающих определенными структурными свойствами
2. это дополнительные звенья, вводимые в
конструкцию механизма для обеспечения требуемых свойств движения
3. незамкнутая кинематическая цепь с нулевой
степенью подвижности, не распадающаяся на более простые цепи
4. часть механизма из 2-х звеньев
5. любая кинематическая пара с шарниром
- Что изображено на схеме:

1. кривошипно-ползунный механизм
2. кривошипно-коромысловый механизм
3. кулисный механизм
4. кривошипно-шатунный механизм
5. четырехшарнирный
механизм
- Что
изображено на схеме:

1. кривошипно-ползунный механизм
2. четырехшарнирный
механизм
3. кулисный механизм
4. кривошипно-коромысловый механизм
5. кривошипно-шатунный механизм
- Что изображено на схеме:

1. рычажный механизм
2. разделительный механизм
3. шарнирный механизм
4. кулачковый механизм
5. зубчатый механизм
6. манипуляционный механизм
7. планетарный механизм
- Какой тип механизма
представлен на рисунке?

1. рычажный
2. кулисный
3. кулачковый
4. фрикционный
5. зубчатый
6. кинематический
- Какой тип механизма
представлен на рисунке?

1. рычажный
2. кинематический
3. кулачковый
4. фрикционный
5. зубчатый
6. радиусный
- Какой тип механизма
представлен на рисунке?

1. рычажный
2. кинематический
3. кулачковый
4. фрикционный
5. зубчатый
6. радиусный
- Какой тип механизма
представлен на рисунке?

1. рычажный
2. кулисный
3. кулачковый
4. фрикционный
5. зубчатый
6. радиусный
- Какой тип механизма представлен
на рисунке?

1. рычажный
2. кулисный
3. кулачковый
4. фрикционный
5. зубчатый
6. радиусный
- Механизм, структурная схема
которого показана на рисунке, называется...

1. кривошипно-кулисным
механизмом
2. кривошипно-коромысловым
механизмом
3. кулисно-ползунным механизмом
4. шарнирным четырехзвенным
механизмом
5. двухкулисным
механизмом
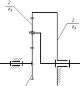
- Звено 2 механизма,
представленного на рисунке, называется...

1. шатуном
2. коромыслом
3. ползуном
4. кулисой
5. кривошипом
- Звено 3 механизма, структурная
схема которого приведена на рисунке, называется...

1. коромыслом
2. кулачком
3. роликом
4. толкателем
- Механизм, структурная схема
которого показана на рисунке, является...

1. приближенным
прямолинейно-направляющим механизмом
2. передаточным механизмом
3. механизмом с выстоями
4. точным
прямолинейно-направляющим механизмом
- Механизм, структурная схема
которого показана на рисунке, является...

1. приближенным
прямолинейно-направляющим механизмом
2. передаточным механизмом
3. механизмом с выстоями
4. точным
прямолинейно-направляющим механизмом
- Механизм, структурная схема
которого показана на рисунке, называется...

1. шарнирным параллелограммом
2. шарнирным антипараллелограммом
3. кулисным механизмом
4. кривошипно-кулисным
механизмом
5. кривошипно-коромысловым
механизмом
email:
KarimovI@rambler.ru
Адрес: Россия, 450071, г.Уфа,
почтовый ящик 21
Теоретическая механика Сопротивление материалов
Прикладная механика Детали машин Строительная механика