Лекция 9. Фрикционные
передачи.
Основные понятия. Классификация, достоинства
и недостатки
Фрикционная передача — механическая передача, служащая для передачи
вращательного движения (или для преобразования вращательного движения в поступательное)
между валами с помощью сил трения, возникающих между катками, цилиндрами или конусами, насаженными на валы и прижимаемыми
один к другому.
Фрикционные передачи состоят из
двух катков (рис.9.1): ведущего 1 и ведомого 2, которые прижимаются один
к другому силой
(на рисунке — пружиной), так что сила трения
в месте контакта
катков достаточна для передаваемой окружной силы
.

Рис.9.1.
Цилиндрическая фрикционная передача:
1 — ведущий каток; 2 — ведомый каток
Условие работоспособности передачи:
(1)
Нарушение условия (1) приводит к буксованию и
быстрому износу катков. Для того чтобы передать заданное окружное усилие
, фрикционные катки надо прижать друг к другу усилием
так, чтобы возникающая
при этом сила трения
была бы больше силы
на величину
коэффициента запаса сцепления
, который принимают
равным
= 1,25...2,0.
Значения
коэффициента трения между катками в среднем:
- сталь или
чугун по коже или ферродо насухо f = 0,3;
- то же в
масле f = 0,1;
- сталь или
чугун по стали или чугуну
насухо f =
0,15;
- то же в
масле f = 0,07.
Подставив эти
значения в уравнение, можно убедиться в том, что усилие прижатия фрикционных
катков во много раз превышает передаваемое окружное усилие.
Фрикционные
передачи классифицируют по следующим признакам:
1. По
назначению:
- с
нерегулируемым передаточным числом (рис.9.1-9.3);
- с бесступенчатым (плавным) регулированием
передаточного числа (вариаторы).

Рис.9.2.
Цилиндрическая фрикционная
передача
с катками клинчатой формы

Рис.9.3.
Коническая фрикционная передача
2. По
взаимному расположению осей валов:
- цилиндрические или
конусные с параллельными осями (рис.9.1, 9.2);
- конические с
пересекающимися осями (рис.9.3).
3. В
зависимости от условий работы:
- открытые (работают
всухую);
- закрытые (работают в
масляной ванне).
В открытых
фрикционных передачах коэффициент трения
выше, прижимное усилие
катков Fn меньше. В закрытых фрикционных передачах масляная ванна
обеспечивает хороший отвод тепла, делает скольжение менее опасным, увеличивает
долговечность передачи.
4. По
принципу действия:
- нереверсивные (рис.9.1-9.3);
- реверсивные.
5. Различают
также передачи с постоянным или автоматическим регулируемым прижатием катков, с
промежуточным (паразитным) фрикционным элементом или без него.
Достоинства
фрикционных передач:
- простота
конструкции и обслуживания;
- плавность
передачи движения и регулирования скорости и бесшумность работы;
- большие
кинематические возможности (преобразование вращательного движения в
поступательное, бесступенчатое изменение скорости, возможность реверсирования
на ходу, включение и выключение передачи на ходу без остановки);
- за счет
возможностей пробуксовки передача обладает предохранительными свойствами.
Однако после пробуксовки передача, как правило, резко ухудшает свои качества -
появляются лыски на катках, неравномерно
срабатываются фрикционные поверхности и т.д. Поэтому использовать пробуксовку
как предохранительное средство не рекомендуется;
- отсутствие
мёртвого хода при реверсе передачи;
- равномерность вращения, что удобно для
приборов;
- возможность
бесступенчатого регулирования передаточного числа, причем на ходу, без
остановки передачи.
Недостатки
фрикционных передач:
-
непостоянство передаточного числа из-за проскальзывания;
-
незначительная передаваемая мощность (открытые передачи - до 10-20 кВт;
закрытые - до 200-300 кВт);
- для открытых
передач сравнительно низкий КПД;
- большое и
неравномерное изнашивание катков при буксовании;
-
необходимость применения опор валов специальной конструкции с прижимными
устройствами (это делает передачу громоздкой);
- для силовых
открытых передач незначительная окружная скорость (
7 - 10 м/с);
- большие
нагрузки на валы и подшипники от прижимной силы
, что увеличивает их размеры и делает передачу громоздкой.
Этот недостаток ограничивает величину передаваемой мощности;
- большие
потери на трение.
Применение.
Фрикционные передачи с нерегулируемым передаточным числом в машиностроении применяются сравнительно редко, например, во фрикционных прессах, молотах, лебедках, буровой технике и т.п.). В качестве силовых передач они громоздки и малонадежны. Эти передачи применяются преимущественно в приборах, где требуется плавность и бесшумность работы (магнитофоны, проигрыватели, спидометры и т. п.). Они уступают зубчатым передачам в несущей способности. Зато фрикционные передачи с бесступенчатым регулированием скорости – вариаторы – широко применяются в различных машинах, например, в металлорежущих станках, в текстильных и транспортирующих машинах и т. д. Зубчатые передачи не позволяют такого регулирования. На практике широко применяют реверсивные фрикционные передачи винтовых прессов, передачи колесо — рельс и колесо — дорожное полотно самоходного транспорта. Фрикционные передачи предназначены для мощностей, не превышающих 20 кВт, окружная скорость катков допускается до 25 м/с.
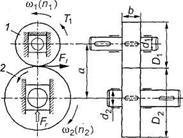
Геометрические параметры, кинематические и силовые соотношения во фрикционных передачах
Основные геометрические
параметры фрикционной передачи:
D1 и D2 — диаметры ведущего и ведомого катков;
а — межосевое расстояние;
b — ширина катка;
d1
и d2 —
диаметры валов ведущего и ведомого катков (рис.9.4). Методика определения диаметров катков D1, D2 и
их ширины, как относящихся к параметрам фрикционной передачи,
рассмотрена в настоящей главе. Диаметры
валов d1 и d2 рассчитывают по известным формулам курса «Сопротивление материалов».

Рис.9.4. Геометрические параметры фрикционных
передач
Передаточное
число.
Если допустить, что во фрикционной передаче скольжение
отсутствует, то окружные скорости катков будут равны, т. е.
. Для
передачи, показанной на рис.1:
;
.
Приравнивая
правые части равенств, получим
или
. Отсюда
,
где
— передаточное
число.
В
действительности скольжение между катками есть, т. е.
. Величина скольжения оценивается коэффициентом
скольжения
;
= 0,005
÷ 0,03 (здесь
— теоретическая
угловая скорость).
Передаточное отношение фрикционной передачи с учетом скольжения
Для передачи
движения между валами с пересекающимися осями используют коническую фрикционную
передачу. Угол
между осями валов
обычно составляет 900. В этом случае передаточное отношение без
учета скольжения
.
КПД фрикционных передач зависит от следующих потерь:
- связанных с использованием катков, имеющих формы, не позволяющие им перекатываться один по другому без проскальзывания; это отчетливо видно, например, в передаче с клиновыми катками и лобовом вариаторе;
- проскальзывания, обусловленного масляной пленкой на рабочих поверхностях и т. д.;
- трения качения, вызванного деформацией поверхностей катков в зоне контакта;
- в подшипниках. Потери в подшипниках зависят
от величины нагрузки на валы, которая определяется прижимным усилием F
.
КПД фрикционной передачи определяют по формуле
где
— сумма относительных потерь.
Для закрытых фрикционных
передач
= 0,88 – 0,93, для открытых
= 0,68 – 0,86.
Цилиндрическая фрикционная передача. Устройство, основные геометрические и силовые соотношения
Фрикционную передачу с параллельными осями валов и с
рабочими поверхностями цилиндрической формы называют цилиндрической. Простейшая
фрикционная передача с гладкими катками и постоянным передаточным числом
показана на рис.9.1.
Один
вал диаметром dx устанавливают на
неподвижных подшипниках, подшипники другого вала диаметром d2 — плавающие. Катки 1 и 2 закрепляют на валах с
помощью шпонок и прижимают один к другому специальным устройством с силой Fr. Цилиндрические
фрикционные передачи с гладкими катками применяют для передачи небольшой
мощности (в машиностроении до 10 кВт); эти передачи находят широкое применение
в приборостроении. Для одноступенчатых силовых цилиндрических фрикционных
передач рекомендуется
.
В
некоторых случаях применяется цилиндрическая фрикционная передача с катками клинчатой формы (см.
рис.9.2).
В
передачах с клинчатыми катками при данной силе Fr прижатия
одного катка к другому нормальные силы между рабочими поверхностями, a следовательно,
и силы трения значительно больше, чем в передачах с гладкими катками (тем
большие, чем меньше угол клина).
Это
позволяет снизить в передачах с клинчатыми катками силу Fr в 2—3
раза.
Число
клиновых выступов для катков принимают равным z = 3-5
(рис.9.5). При z> 5 условие равномерного прилегания всех рабочих поверхностей
таких катков ухудшается.
Цилиндрические фрикционные передачи могут быть выполнены с гладкими, выпуклыми и
выпукло-вогнутыми катками (рис. 9.6, а, б, в). Имеются
и другие конструктивные разновидности фрикционных цилиндрических передач.

Рис.9.5. Катки
клинчатой передачи

а) б) в)
Рис.9.6. Типы катков: a — гладкие катки:
б
— выпуклые катки: в — выпукло-вогнутые
катки
Геометрические параметры передачи (см. рис. 9.4).
Межосевое
расстояние
.
Диаметр
ведущего катка
.
Диаметр
ведомого катка
.
Рабочая
ширина обода катка
,
где
= 0,2 - 0,4 — коэффициент ширины обода катка по межосевому
расстоянию.
Для
компенсации неточности монтажа на практике ширину малого катка (см. рис.9.1)
принимают, мм:
.
Силы в передаче.
Для
обеспечения работоспособности фрикционных передач необходимо прижать катки
(см. рис.9.4) силой нажатия
таким
образом, чтобы соблюдалось условие (1), т. е.
где
— максимальная сила трения;
— передаваемая
окружная сила;
— коэффициент трения (выбирается по
табл.1). Отсюда сила нажатия
или
,
(2)
где
— коэффициент запаса сцепления; вводится для
предупреждения пробуксовки от перегрузок в период пуска передачи (для силовых
передач
= 1,25 - 1,5;
для передач приборов
= 3 - 5).
По
схеме, показанной на рис.9.4,
. (3)
Подставив
формулу (3) в формулу (2), определим силу нажатия
.
На
практике применяют два способа прижатия катков: постоянной силой и автоматическое. Постоянная по значению прижимная сила катков допустима при
передаче постоянной нагрузки. При переменной нагрузке прижатие катков должно
изменяться автоматически — пропорционально изменению передаваемого вращающего
момента. В этом случае снижаются потери на трение, повышается долговечность
передачи.
В первом
случае сила прижатия, осуществляемая обычно с помощью пружин, в процессе paботы
изменена быть не может; во втором случае сила прижатия изменяется с изменением
нагрузки, что положительно, сказывается на качественных характеристиках
передачи. Однако применение специальных нажимных устройств (например, шариковое
самозатягивающее устройство) усложняет конструкцию.
Один каток к другому
может быть прижат:
-
предварительно затянутыми пружинами (в передачах, предназначенных для работы
при небольших нагрузках);
-
гидроцилиндрами (при передаче больших нагрузок);
- собственной
массой машины или узла;
- через
систему рычагов с помощью перечисленных выше средств;
- центробежной
силой (в случае сложного движения катков в планетарных системах).
Скольжение во фрикционных передачах
Скольжение является
причиной износа, уменьшения КПД и непостоянства передаточного отношения во
фрикционных передачах. Различают три вида скольжения: буксование, упругое
скольжение, геометрическое скольжение.
Буксование
наступает при перегрузках, когда не
соблюдается условие (1). При буксовании ведомый каток останавливается, а
ведущий скользит по нему, вызывая местный износ или задир поверхности.
Нарушение геометрической формы и качества
поверхности катков выводит передачу из строя. Поэтому при проектировании
следует принимать достаточный запас сцепления К
и не допускать использования фрикционной передачи в качестве
предохранительного устройства от перегрузки.
Упругое скольжение
связано с упругими деформациями в зоне контакта. Величина этого
скольжения невелика и обычно не превышает 0,2% для стальных катков и 1% для
текстолита по стали. Это
можно объяснить на примере цилиндрической передачи. Если бы катки были
абсолютно жесткими, то первоначальный контакт по линии оставался бы таким и под
нагрузкой. При этом окружные скорости по линии контакта равны и скольжения не
происходит. При упругих телах первоначальный контакт по линии переходит под нагрузкой в контакт по некоторой площадке. Равенство
окружных скоростей соблюдается только в точках, расположенных на одной из линий
этой площадки. Во всех других точках происходит скольжение.
Геометрическое скольжение. Помимо упругого скольжения катков, которое возникает так же, как и в ременных передачах, во фрикционных передачах может иметь место еще геометрическое скольжение вследствие разности скоростей ведущего и ведомого катков по длине контакта b. Геометрическое скольжение не позволяет катки делать широкими, вследствие чего в передаче возникают большие контактные напряжения, ограничивающие передаваемую мощность. Геометрическое скольжение является основной причиной износа рабочих поверхностей фрикционных передач.
Примером геометрического скольжения могут служить фрикционные передачи с клинчатыми катками.

Рис.9.7
Допустим, что на линии контакта
есть некоторая точка
(рис.9.7), на которой
скорости обоих колёс одинаковы, то есть
. На самой линии контакта
, на всём её протяжении, кроме точки
, линейные скорости колёс различны, то есть
и
. Таким образом, везде происходит относительное скольжение,
что приводит к нагреву и износу сопряжённых конусных поверхностей, что, в свою
очередь, понижает коэффициент полезного действия передачи. Чтобы
избежать этого не следует делать общую образующую
больших размеров.
Необходимо уметь находить оптимальный размер образующей
.
Явление, где на сопряжённых поверхностях векторы линейных скоростей в одних и тех же точках различны, что связано с геометрией формы, принято называть геометрическим скольжением. Его следует избегать, однако это не всегда удаётся.
Широкое применение нашли
фрикционные вариаторы, работающие в масле. Хотя при этом коэффициент трения ниже
и сила прижатия больше, однако скольжение в этом
случае менее опасно: наличие масла уменьшает износ, способствует лучшему
охлаждению катков, приближая условия работы катков к работе зубьев зубчатой
закрытой передачи.
Коническая фрикционная передача. Устройство и основные геометрические соотношения
Фрикционную передачу с пересекающимися
валами и катками, рабочие поверхности которых конические, называют фрикционной конической передачей. На рис. 9.8 показана фрикционная коническая передача с
нерегулируемым передаточным числом. Ее устройство аналогично цилиндрической фрикционной
передаче. Прижимной каток
конической передачи обычно меньший, так как при этом необходима меньшая
сила нажатия. Угол
между
осями валов (рис. 9.8) может быть различным. Как правило, межосевой угол передачи
,
где
— угол при вершине
конуса ведущего катка;
— угол при вершине
конуса ведомого катка. Для нормальной работы передачи необходимо, чтобы общая
вершина конусов лежала в точке пересечения геометрических осей валов.
Коническая фрикционная передача может быть нереверсивной (чаще) и реверсивной.
Ее применяют для передачи небольшой мощности (до 25 кВт).
Геометрические
параметры конической фрикционной передачи (см. рис. 9.8).
Передаточное отношение:
.

Рис.9.8. Геометрические параметры конической
фрикционной передачи
1. Внешнее конусное расстояние
(4)
Среднее
конусное расстояние
; т — индекс среднего сечения.
2. Внешний диаметр ведущего катка
или
3. Диаметр ведомого катка
или
4. Длина линии контакта
,
где
= 0,25 - 0,3 — коэффициент длины
линии контакта.
5. Ширина обода катка
;
.
6. Средний диаметр ведущего катка
7. Средний диаметр ведомого катка
,
отсюда
.
Подставив в
формулу (4) значение
, получим

Вариаторы
Большинство современных рабочих машин требует регулирования скорости рабочих органов в зависимости от условий осуществления технологического процесса. Для этого машины снабжают ступенчатыми коробками передач с большим числом зубчатых пар, например, в коробке передач автомобилей их 4 - 6 пар, станков 5 - 16 лишь в механизме главного движения. Применение в машинах вариаторов (бесступенчатых передач) значительно упрощает конструкцию, позволяет установить оптимальный скоростной режим и регулировать скорость на ходу. Все это существенно повышает производительность машины, качество продукции и, кроме того, вызывает уменьшение шума и вибрации. Эти достоинства вариаторов обусловили их широкое распространение в различных областях машиностроения (в станках, в машинах пищевой и легкой промышленности, в сельскохозяйственном и дорожном машиностроении и т.д.).
Фрикционный механизм, предназначенный для бесступенчатого
регулирования передаточного числа, называют фрикционным вариатором или просто вариатором.
Вариаторы можно разделить
на следующие группы: клиноременные, цепные и фрикционные.
В данном разделе рассмотрим только фрикционные вариаторы.
Фрикционные вариаторы нашли применение в приводах с малыми габаритами — в станках и транспортных машинах. При рациональном конструировании и тщательном изготовлении они имеют наиболее высокий КПД — до 0,95. Однако надлежащее качество исполнения их возможно только на специализированных заводах.
Вариаторы разделяются на два основных типа:
а) простые, в которых изменяется только один радиус контакта, а другой остается постоянным (лобовой, конусный, дисковый);
б) сложные, в которых изменяются оба радиуса (торовый, шаровой).
Вариаторы
выполняют в виде отдельных одноступенчатых механизмов с непосредственным
касанием катков без промежуточного диска (см. рис.9.9) или с промежуточным
диском (см. рис.9.10 и 9.11).
Предельные передаточные
отношения вариатора, будут
и ![]()
где D1, d1 и D2, d2 — наибольший
и наименьший диаметры ведущего и ведомого колеса;
— коэффициент
скольжения, который зависит от типа и конструкции передачи.
Основной
кинематической характеристикой вариатора является диапазон регулирования угловой скорости (передаточного
числа) ведомого вала при постоянной угловой скорости ведущего вала:
Скольжение снижает угловую скорость ведомого вала, но на диапазон регулирования не влияет. В простых вариаторах передаточное отношение:
![]()
В сложных вариаторах передаточное отношение:
![]()
Диапазон регулирования:
В сложных вариаторах передаточное отношение может принимать значения, равные:
i > 1; i <1; i = 1.
Диапазон регулирования равен квадрату максимального передаточного отношения. Это значительно расширяет область применения сложных вариаторов.
Существуют вариаторы лобовые, конусные, торовые, дисковые и др. Рассмотрим некоторые из них.
Лобовые вариаторы (см. рис.9.9). Наиболее просты, но из-за значительной величины геометрического скольжения уступают вариаторам других конструкций по КПД и износостойкости. Диапазон регулирования Д=D2/d2<3. Это объясняется тем, что при, малых d2 значительно возрастают скольжение, износ и падает КПД. Лобовые вариаторы нашли применение в маломощных передачах приборов.
Ведущий
каток лобового вариатора 1 радиуса R1, устанавливается
на валу на скользящей шпонке и может перемещаться вдоль оси. Ведомый каток 2
радиуса R2 закреплен на валу
неподвижно. За счет нажимного устройства создается сила трения, необходимая для работы вариатора. Бесступенчатое изменение
угловой скорости в этом вариаторе достигается перемещением вдоль вала
ведущего катка 1; при этом
;
. Отсюда передаточное число
,
здесь не учитывается проскальзывание катков, поэтому
равенство приближенное.

Рис.9.9. Лобовой вариатор: 1 — ведущий каток; 2 — ведомый каток
Лобовой вариатор позволяет изменять направление и частоту вращения ведомого вата, останавливать его на ходу без выключения привода.
Торовые вариаторы (см. рис.9.10). На концы валов насажены две торовые
чашки 1 и 2, выполненные по форме круглого тора. Вращение
от ведущей чашки к ведомой
передается промежуточными дисками 3,
свободно вращающимися на осях 4.
Угловая скорость ведомой чашки изменяется
при одновременном повороте осей 4 вокруг шарнира 5.
При этом изменяются радиусы R1 и R2 чашек 1 и 2, т. е.
;
. Отсюда
.
Для торовых вариаторов диапазон регулирования
.
Такая схема вариатора характеризуется малым геометрическим скольжением, что является основным преимуществом торового вариатора, позволяющим повысить КПД до 0,95. Для прижатия тел качения применяют обычно шариковое нажимное устройство, при котором чашка 1 связана с валом при помощи двух или трех шариков, помещенных в гнездах клиновидной формы. Если вал привести во вращение, то он сместится по отношению к чашке на некоторый угол, выжмет шарики, создаст необходимую силу нажатия. Такое устройство обеспечивает величину силы нажатия в соответствии с изменением нагрузки. В СНГ торовые вариаторы нормализованы для мощностей от 1,5 до 20 кВт при Д от 6,25 до 3. Материал тел качения — закаленная сталь по закаленной стали в масле или сталь по текстолиту без смазки.

Рис.9.10. Торовый вариатор: 1 — ведущая торовая
чашка;
2 — ведомая торовая чашка; 3 — диск; 4 — оси дисков; 5 — шарниры осей
Вариатор с коническими катками (см. рис.9.11). На ведущем и ведомом валу установлены катки 1 и 2 с
рабочими поверхностями конической формы. Вращение от ведущего катка 7 к ведомому
2 передается промежуточным
диском 3 цилиндрической формы, свободно вращающимся на оси 4. Пружина 5 обеспечивает
необходимую силу нажатия для нормальной работы вариатора. При перемещении промежуточного
диска 3 вдоль оси 4
радиусы R1 и R2 ведущего
7 и ведомого 2 катков изменяются. В данной конструкции вариатора
;
. Отсюда
.

Рис.9.11. Конусный вариатор: 1 — ведущий каток: 2 —
ведомый каток:
3 — промежуточный диск: 4 — ось диска; 5 — пружина
Диапазон регулирования для вариаторов с коническими катками
.
Вопросы для самопроверки
- За счёт каких сил передают движение фрикционные передачи ?
- Каковы достоинства и недостатки фрикционных передач ?
- Каковы основные виды поломок фрикционных передач ?
- Какие материалы применяются для фрикционных передач ?
- Кратко опишите работу катков фрикционной передачи при буксовании.
- Какие устройства называют вариаторами? Их назначение.
- Как классифицируют фрикционные передачи? Перечислите основные виды передач.
- Каковы достоинства и недостатки фрикционных передач?
- Какие материалы применяют для изготовления рабочих поверхностей фрикционных катков? Какими свойствами должны обладать эти материалы?
- Как обеспечивают прижатие катков фрикционных передач?
- Почему во фрикционных передачах непостоянное передаточное число?
- Как протекает процесс усталостного выкрашивания рабочих поверхностей катков закрытой передачи?
- Что такое заедание рабочих поверхностей катков? Как можно предупредить его?
- Что такое диапазон регулирования вариаторов и как его определяют?
- По
перечисленным признакам классификации дайте характеристику передаче,
изображенной на рисунке.

- Укажите основные
достоинства и недостатки фрикционной передачи, работающей в режиме пробуксовки
катков.
- Можно ли рекомендовать
фрикционную передачу для точных делительных механизмов? Чем объяснить
ухудшение качества звучания проигрывателя (звук «плывет») при нормальной
работе всех его электронных блоков.
- Почему ведомый каток рекомендуют изготовлять из более износостойкого материала?
- Чем обусловлено
скольжение в закрытой фрикционной передаче! Дайте определение передаточного
числа
. Запишите формулу передаточного числа при условии известных
частот вращения ведущего и ведомого валов
и
.
- Чем объяснить, что КПД в закрытых передачах больше,
чем в
открытых?
- Объясните процесс усталостного выкрашивания
рабочих поверхностей катков закрытых передач.
- Выведите формулу для определения диаметра ведомого катка.
- Опишите кратко устройство конической фрикционной передачи. Какой каток делается прижимным в конической фрикционной передаче?
-
Зависит ли сила нажатия катков от коэффициента трения? Если да, то как? От
каких геометрических параметров передачи зависит эта сила?
- Что является основной
кинематической характеристикой вариатора? Дайте определение.
- Увеличится или уменьшится передаточное отношение вариатора (см. рисунок), если малый каток перемещать к центру большого?

- В какое положение необходимо поставить промежуточный диск 3, чтобы передаточное
число и было равно единице (см.
рисунок)? Правильно ли показано
направление вращения ведомого катка у торового
вариатора. Как классифицировать рассматриваемый вариатор по взаимному
расположению осей валов.

- Дайте определение условию работоспособности фрикционной передачи.
- Как классифицировать вариатор с коническими катками по взаимному
расположению осей валов?
- Влияет
ли размер диаметра промежуточного диска 3 на передаточное число (см. рисунок)?

- Передаточное число больше или меньше единицы при установке промежуточного диска 3, показанной на рисунке?

- Как классифицировать фрикционные передачи по принципу
передачи движения и способу соединения ведущего и ведомого звеньев?
1.
Зацеплением
2.
Трением с непосредственным контактом
3.
Передача с промежуточным звеном
4. Трением с гибкой связью
- Как называется деталь, обозначенная цифрой 2 на
рисунке?

1.
Ведущий каток
2.
Ведомый каток
3. Промежуточный диск
- Можно ли применить фрикционную передачу для изменения
скорости приводных колес автомобиля, снегохода и т. д.
1.
Нельзя
2. Можно
- Из какого материала изготовляют катки тяжелонагруженных
быстроходных закрытых фрикционных передач?
1.
Сталь
2.
Чугун
3.
Бронза
4.
Из любого материала (сталь, чугун, бронза)
5. Текстолит, и другие неметаллические материалы
- Определите частоту вращения ведомого вала фрикционной
передачи, если n= 1000 об/мин, D1= 100 мм, D2 = 200 мм
(скольжением пренебречь)
1)
500
2)
1000
3) 2000
- Как называется передача, показанная на рисунке?

1. Цилиндрическая фрикционная с гладкими катками
2. Клинчатая фрикционная
3. Коническая фрикционная
4. Червячная
- Какой из указанных недостатков фрикционной передачи не
дает возможность применения для точных
делительных механизмов
1. Непостоянство передаточного отношения
2. Большие нагрузки на валы
3. Низкий КПД
4. Ограниченная величина окружной скорости
- Формула для определения диаметра ведомого катка
цилиндрической фрикционной передачи
1) ![]()
2) ![]()
3) ![]()
4)
.
- Для чего в расчетные формулы вводят коэффициент Kс?
1. Для увеличения КПД передачи
2. Для снижения пробуксовки катков при перегрузках
3. Для снижения коэффициента трения
- Как уменьшить межосевое расстояние
а при проектировании фрикционной
передачи (без увеличения размеров и нагруженности
передачи)
1. Выбрать более прочный материал
2. Увеличить коэффициент Кс
3. Увеличить коэффициент f
4. Увеличить коэффициент ![]()
- Как называется передача, показанная на рисунке?

1.
Цилиндрическая фрикционная передача
2.
Лобовой вариатор
3.
Торовый вариатор
4. Вариатор с коническими катками
- К каким передачам относятся вариаторы?
1.
С нерегулируемым передаточным числом
2. С регулируемым передаточным числом
- В какое положение необходимо поместить ведущий каток 1 (см. рисунок), чтобы увеличить
угловую скорость ведомого катка 2?

1.
Влево к оси вала катка 2
2. В правое крайнее положение
- Какое направление вращения будет иметь ведомый каток 2
(см. рисунок), если ведущий каток 1
переместить влево (на рисунке показано штриховыми линиями)

1.
По часовой стрелке
2. Против часовой стрелки
- Как назвать деталь, обозначенную цифрой 3 на
рисунке?

1.
Ведущий каток
2.
Ведомый каток
3. Промежуточный диск
email: KarimovI@rambler.ru
Адрес: Россия, 450071, г.Уфа, почтовый ящик 21
Теоретическая механика Сопротивление материалов
Прикладная механика Детали машин Строительная механика