Лабораторная работа №10
Определение КПД червячного редуктора
Цель работы: знакомство с производственным методом оценки КПД
червячного редуктора.
Из технической литературы известно, что теоретическое значение
КПД червячного редуктора определяется по формуле
![]()
где
- угол подъема
винтовой линии на делительном цилиндре червяка, f - коэффициент
трения скольжения в кинематической паре червяк-червячное
колесо,
- приведенный
угол трения в червячной паре:
![]()
где
- угол профиля
витка червяка.
Из анализа формулы (1) следует, что увеличение угла
подъема винтовой линии ведет к росту КПД редуктора, а увеличение
к его снижению.
При
червячная
передача называется самотормозящейся. Передача вращения от колеса к червяку в
этом случае невозможна.
Механическим коэффициентом полезного действия механизма
называется отношение работы сил полезного сопротивления к работе сил движущих
(затраченной работе) за один цикл при установившемся движении, т.е.
![]()
где
- работа сил
полезного сопротивления,
- работа сил движущих.
Значения работ за время одного цикла установившегося
движения пропорциональны средним значениям мощностей за этот же период, т.е.
![]()
где
- момент сил
полезного сопротивления на ведомом валу редуктора (на валу червячного колеса),
момент сил
движущих на валу червяка,
- передаточное
число редуктора.
Коэффициент полезного действия червячного редуктора
при установившемся режиме работы без учета погрешности определяется по формуле:
![]()
С учетом погрешности КПД червячного редуктора
![]()
где
- абсолютная
погрешность.
Выведем формулу для определения абсолютной
погрешности. Дифференцируя соотношение (4) частным образом, получаем:

Заменяя дифференциалы на приращения, имеем:
![]()
где
- моменты сил
движущих и сопротивления (определяются при нахождении
),
=0,005 Нм,
=0,003 Нм,
где погрешности, полученные при измерении моментов
.
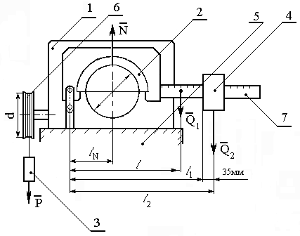
Устройство установки
Установка (рис.1) состоит из
червячного редуктора (1), нагружающего устройства (2), (7) и грузов (3) и (4).
Редуктор установлен на основании
(5). На вал червяка жестко насажен шкив (6), на котором с помощью троса
крепится сменный груз (3).

Рис. 1 .Схема установки: 1 - редуктор, 2
- тормозная колодка, 3 - сменный груз,
4 - подвижный груз, 5 - основание, 6 - шкив, 7 - линейка
Сила веса
груза (3)
является движущей. Нагружающее устройство имеет линейку (7), по которой, по
которой перемещается груз (4). Силы веса тормозной накладки (2), линейки (7) и
груза (4) играют роль полезного сопротивления. Эти силы создают на валу колеса
через тормозную накладку момент трения, равный моменту сил полезного
сопротивления при установившемся режиме.
Основные
технические данные червячного редуктора:
Число заходов червяка ![]()
Число зубьев червячного колеса ![]()
Передаточное число ![]()
Угол подъема винтовой линии на делительном цилиндре
червяка ![]()
Коэффициент трения червячной пары при наличии смазки f=0,075.
Приведенный угол трения ![]()
Установка червячного редуктора:
1. Коэффициент трения в паре шкив-тормозная
накладка ![]()
2. Вес тормозной накладки и линейки
=3000 г = 29,4 Н..
3. Подвижный груз
=1315 г=12,9 Н.
4. Сменный груз P(Н).
5. Плечи соответствующих сил (рис. 1)
м,
- отсчет по
линейке,
м,
=0,075 м.
6. ![]()
7. ![]()
8. Диаметр шкива на валу червяка d=0,11 м.
9. Диаметр шкива на валу колеса D=0,1м.
Порядок выполнения лабораторной работы
1. На тросик подвесьте сменный груз Q так, чтобы он находился в верхнем положении.
2. Подвижный груз
отведите в
крайнее положение вправо, соответствующее наибольшему плечу. Медленно перемещая
груз по линейке, уменьшая плечо
, добейтесь такого состояния, чтобы груз Q равномерно опускался.
3. Определите значение момента
:
![]()
где
- диаметр
тросика, d - диаметр шкива на валу червяка (задан). Приближенно
![]()
тогда
![]()
Жесткостью тросика пренебрегаем.
4. Определите значение момента
по формуле
![]()
где f - коэффициент трения в паре “шкив-накладка” (задан), D -
диаметр шкива на валу колеса (задан), N
- сила нормального давления, возникающая
на шкиве вала колеса при действии силы веса
, накладки и линейки, и силы веса
подвижного груза,
![]()
где
- плечи
соответствующих сил (рис.1).
5. По формуле (3) оцените экспериментальные значения
КПД редуктора.
6. По формуле (1) определите теоретическое значение КПД
червячного редуктора и сопоставить его со значением, найденным по формуле (3).
7. Определите абсолютную погрешность оценки КПД по
формуле (6).
8. По формуле (5) оцените КПД с учетом погрешности.
Значение КПД представьте в виде
![]()
Контрольные вопросы
1. Что понимается под механическим коэффициентом
полезного действия машины?
2. Приведите формулу для расчета теоретического КПД
червячной передачи.
3. Как влияет величина угла подъема винтовой линии
червяка на условия самоторможения червячной передачи?
4. В чем выражается явление самоторможения червячной
передачи?
5. Какой угол называется углом трения?
6. Как влияет изменение угла трения на КПД червячной
передачи?
7. Как определить передаточное число червячной пары?
8. Приведите формулу для экспериментального
определения КПД червячной передачи.
9. Как изменяется КПД червячной передачи с изменением
числа заходов червяка?
email: KarimovI@rambler.ru
Адрес: Россия, 450071, г.Уфа, почтовый ящик 21
Теоретическая механика Сопротивление материалов
Прикладная механика Детали машин Строительная механика