Лабораторная работа №27
Анализ и оценка конструкции коробки
перемены передач автомобиля
Цель работы: знакомство с устройством и работой коробки перемены скоростей;
методикой определения оценочных параметров коробки, таких как диапазон
передаточных чисел, плотность ряда передаточных чисел, диапазон изменения
крутящего момента и других.
Автомобиль при движении по дороге должен все время
"приспосабливаться" к изменяющимся дорожным условиям и изменению
нагрузки. Основой этой приспосабливаемости является т.н. “золотое правило
механики”: сколько теряешь в скорости, столько выигрываешь в силе. Благодаря
этому правилу имеется возможность рационализации скоростных, а следовательно, и
силовых характеристик движения автомобиля.
Механизм, с помощью которого достигается упомянутая
рационализация, называется коробкой
перемены передач автомобиля.
Коробка перемены передач позволяет изменять тяговое
усилие на ведущих колесах автомобиля, двигаться задним ходом и разобщать
двигатель и ведущие колеса при стоянке автомобиля и его движении по инерции. В
зависимости от числа передач переднего хода ступенчатые коробки перемены
передач могут быть трех, четырех и пятиступенчатыми. Они могут быть с
неподвижными осями валов и планетарными. Наибольшее распространение имеют
ступенчатые коробки перемены передач с неподвижными осями валов. Такие коробки
просты по конструкции, относительно дешевые в изготовлении, имеют высокий КПД,
небольшие массу и размеры, надежны в работе.
Коробки перемены передач как силовой агрегат служат
для передачи крутящего момента от двигателя к ведущим колесам автомобиля.
Крутящий момент в ступенчатой коробке перемены передач
изменяется по величине при помощи зубчатых колес. Крутящий момент, передаваемый
от коленчатого вала двигателя, тем больше на выходном валу коробки передач, чем
больше передаточное число соответствующей ступени коробки передач.
Передаточным
числом u пары зубчатых колес называется отношение числа зубьев
ведомого колеса к числу зубьев ведущего. При одновременном зацеплении
нескольких пар зубчатых колес передаточное число коробки передач равно
произведению передаточных чисел отдельных передач. Следует отметить, что при
движении автомобиля на прямой передаче (обычно это 4-я передача) передаточное
число коробки передач равно единице.
Крутящий
момент, передаваемый коробкой
передач (без учета потерь на трение),
![]()
где
- крутящий
момент на коленчатом валу двигателя,
- передаточное
число коробки передач на данной передаче.
Как уже было отмечено, на прямой передаче
На этой
передаче крутящий момент передается без изменения с вала двигателя (первичного
вала коробки передач) на вторичный (выходной) вал коробки передач. Возможность
изменения передаточного числа коробки перемены передач дает возможность
двигателю работать на режимах, наивыгоднейших по мощности и экономичности. От
конструкции коробки перемены передач во многом зависят кинематические,
динамические и экономические свойства автомобиля.
Для анализа и оценки конструкций коробок перемены
передач служит ряд оценочных параметров, которые определяются требованиями,
предъявляемыми к коробкам передач различного типа.
Диапазон
передаточных чисел (диапазон коробки
передач). Это отношение передаточных чисел низшей и высшей передач:
![]()
В легковых автомобилях
, в грузовых
Число передач
и плотность ряда передаточных чисел.
Плотность ряда характеризуется отношением передаточных чисел соседних передач. Чем
больше число передач, тем выше плотность ряда, тем в большей степени
выполняется требование обеспечения тяговых и экономических свойств автомобиля.
В современных конструкциях коробок передач плотность ряда принята в пределах
1,1…..1,5. На высших передачах показатель плотности должен быть ближе к нижнему
значению.
Диапазон
изменения крутящих моментов. Он равен
отношению значений крутящих моментов на низшей и высшей передачах:
![]()
![]()
![]()
где
- крутящий
момент на коленчатом валу двигателя.
Уровень шума, создаваемого при работе. Этот параметр
зависит от качества, точности изготовления и типа зубчатых колес, жесткости
валов и картера коробки. Меньший уровень шума обеспечивают косозубые и
шевронные зубчатые колеса. Таким колесам присуща также и большая прочность.
Параметром оценки уровня шума коробки передач может служить ее КПД, т.к. шум
всегда сопровождается потерей энергии.
Легкость
управления. Оценочными показателями
являются как усилие на рычаге управления, так и сложность манипуляции, которая определяется
степенью сложности самой конструкции коробки передач и ее привода (наличие
синхронизаторов, автоматизация управления ступенчатой коробкой передач,
автоматические коробки).
Металлоемкость
конструкции, трудоемкость изготовления и стоимость. Металлоемкость оценивается удельной массой коробки
перемены передач - отношением ее массы к мощности двигателя.
Удельная масса (кг/квт) ступенчатой коробки передач
характеризуется следующими значениями:
0,3…..0,5 - легковые автомобили,
0,5…..2,0 - грузовые автомобили.
Ресурс
коробки перемены передач. Это
расстояние в тысячах километров пробега до капитального ремонта.
125…..250 - легковые автомобили,
250…..500 - грузовые автомобили и автобусы.
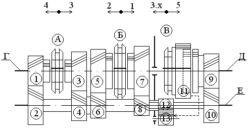
УСТРОЙСТВО И РАБОТА КОРОБКИ ПЕРЕМЕНЫ СКОРОСТЕЙ
На рис. 1 изображена конструктивная схема механической
пятиступенчатой коробки перемены передач легкового автомобиля. Коробка состоит
из трех не связанных между собой валов - Г, Д, Е. Вал Г называется первичным. Этот вал при помощи механизма
сцепления связан непосредственно с коленчатым валом двигателя.
Вал Д называется вторичным.
Вторичный вал как ведомый вал коробки передач через карданный вал и
дифференциал связан непосредственно с ведущими колесами автомобиля.
Вал Е является промежуточным.
На нем установлен т.н. блок зубчатых колес. Вторичный и промежуточный валы
несут на себе набор зубчатых колес - 2……12. Первичный вал снабжен только одним
зубчатым колесом - 1.
Буквами А, Б, В обозначены зубчатые муфты, образующие
шлицевые соединения со вторичным валом и имеющие возможность осевого
перемещения по нему. Каждая из муфт снабжена внутренними зубьями. При помощи
этих муфт осуществляется замыкание тех или иных зубчатых колес для обеспечения
того или иного передаточного числа
.
На отдельном валу установлено зубчатое колесо (13),
которое предназначено для изменения направления вращения вторичного вала Д,
когда требуется обеспечить задний ход движения автомобиля.


Рис. 1.
Схема механической пятиступенчатой коробки перемены передач легкового
автомобиля:
А, Б, В –
зубчатые муфты; Г- первичный вал; Д- вторичный вал; Е- промежуточный вал
На рисунке рядом с муфтами (А, Б, В) стрелками
показано направление движения муфт для получения той или иной передачи.
Например, для получения I-й передачи муфта (Б) смещается вправо и замыкает на
вторичном валу (Д) зубчатое колесо (7). Вращение от коленчатого вала двигателя
через диск сцепления передается на первичный вал (Г) коробки передач. С него
через зубчатое колесо (1) вращение передается зубчатому колесу (2) блока
зубчатых колес. Далее через зубчатое колесо (8) вращение передается зубчатому
колесу (7), жестко связанному посредством муфты (Б) со вторичным валом (Д).
Таким образом обеспечивается (I) передача движения автомобиля. Передаточное
число коробки передач на I-й передаче:
![]()
Для обеспечения заднего хода зубчатое колесо (11) при
помощи муфты В перемещается влево и входит в зацепление с зубчатым колесом
(13). Последнее находится в постоянном зацеплении с зубчатым колесом (12) и является
паразитным. Получив вращение от колеса (12), оно передает вращение другому
колесу (11), а с ним - вторичному валу коробки передач в обратном направлении.
ПРИМЕЧАНИЕ. Зубчатые муфты (А, Б, В) работают только
"поодиночке": если одна из муфт включена, две другие должны быть
выключены.
На рисунке также показано положение рычага управления
коробкой передач при включении той или иной передачи и приведена таблица чисел
зубьев зубчатых колес данной коробки перемены передач.
ПРАКТИЧЕСКАЯ ЧАСТЬ
Лабораторное
оборудование: действующая модель
механической пятиступенчатой коробки перемены передач, конструктивная схема
которой приведена на рисунке.
Задача, которую должен решить студент на лабораторном
занятии, рассматривая данную коробку перемены передач легкового автомобиля,
ставится непосредственно преподавателем. Эта задача может быть взята из
"Введения", но может быть сформулирована и самим преподавателем
дополнительно.
В отчете (индивидуально), наряду с решением
поставленной задачи, приводится кинематическая схема данной коробки перемены
передач, выполненная в соответствии с требованиями ГОСТа.
email: KarimovI@rambler.ru
Адрес: Россия, 450071, г.Уфа, почтовый ящик 21
Теоретическая механика Сопротивление материалов
Прикладная механика Детали машин Строительная механика